概 述
气动PVC蝶阀重量轻、耐腐蚀性强,被应用于多个领域,如一般纯水和生饮水的管路系统、排水和污水管路系统、盐水和海水管路系统、酸碱和化学溶液系统等多个行业,品质得到广大用户的认可。
气动PVC蝶阀外型结构紧凑美观
气动PVC蝶阀本体重量轻容易安装
气动PVC蝶阀耐腐蚀性强,应用范围广
气动PVC蝶阀材质卫生无毒
气动PVC蝶阀耐磨损、容易拆卸,维护简单易行
主要参数
|
空气驱动 |
压缩空气4-6bar(可带手轮) |
|
公称通径 |
50~300mm |
|
公称压力 |
1.0~1.6Mpa |
|
适用温度 |
0~+60℃ |
|
连接方式 |
对夹 |
|
阀结构 |
A型 |
|
阀体材质 |
UPVC、CPVC、PP |
|
阀芯材质 |
UPVC、CPVC、PP、PTFE |
|
密封材质 |
FPM、EPDM、NBR |
|
适用介质 |
PVC兼容的食品工业化学溶剂 |
|
可选附件 |
限位开关、定位器、电磁阀、减压阀 |
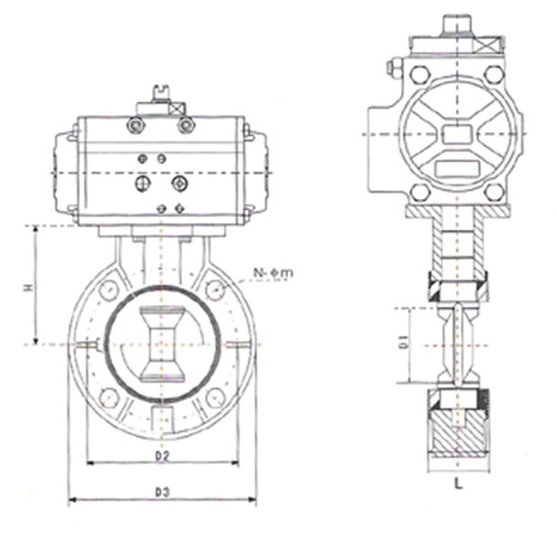
主要外型尺寸

|
径(mm) |
英寸″ |
尺寸(mm) |
|||||||||
|
L |
D1 |
D2-ANSI |
D2-JIS |
D2-DIN |
D3 |
H |
N-φm-ANSI |
N-φm-JSI |
N-φm-DIN |
||
|
50 |
2 |
43 |
56.5 |
120.39 |
120 |
125 |
165 |
103 |
4-19 |
4-19 |
4-18 |
|
65 |
2 1/2 |
47.5 |
70 |
139.44 |
140 |
145 |
185 |
113 |
4-19 |
4-19 |
4-18 |
|
80 |
3 |
47.5 |
79 |
152.4 |
150 |
160 |
201 |
115 |
4-19 |
4-19 |
4-18 |
|
100 |
4 |
57.2 |
103 |
190.5 |
175 |
180 |
229 |
135 |
8-19 |
8-19 |
8-18 |
|
125 |
5 |
66 |
130 |
216 |
210 |
210 |
257 |
165 |
8-22 |
8-23 |
8-18 |
|
150 |
6 |
74 |
151 |
241.55 |
240 |
240 |
285 |
177 |
8-22 |
8-23 |
8-23 |
|
200 |
8 |
87.5 |
200 |
298.5 |
290 |
295 |
343 |
210 |
8-22 |
8-23 |
8-23 |
|
250 |
10 |
110 |
255 |
362 |
355 |
350 |
411 |
240 |
12-25 |
12-25 |
12-23 |
|
300 |
12 |
129 |
311 |
432 |
400 |
400 |
490 |
297 |
12-25 |
12-25 |
12-23 |