
■概述
手动装置可与气动装置联合使用,用于90度开启的蝶阀、球阀、旋塞阀等实现手动或气动驱动。
■主要特点
1、何种小、重量轻、设计合理、式样新颖;
2、产品系列化,输出转矩与气动装置,各种阀门匹配;
3、蜗轮连接内孔有相隔90度的两个键槽,以便用户根据需要选择装置同阀体的相对位置;
4、可自由切换手动和气动:提起限位销,旋转偏心装置180度,限位销自动限位,实现气动;反之,实现手动;
5、产品出厂时,装有专用润滑脂,与阀装配后,整体密封,防尘、防水。
6、防护等级为IP65
■技术参数
|
型号
|
速比
|
输入扭矩
(N·M) |
输出扭矩
(N·M) |
手动直径
(mm) |
重量
(kg) |
|
XLHJ26
|
26:1
|
70
|
300
|
200
|
11
|
|
XLHJ38
|
38:1
|
60
|
500
|
200
|
13
|
|
75
|
600
|
250
|
|||
|
90
|
700
|
300
|
|||
|
XLHJ54
|
54:1
|
100
|
1000
|
250
|
17
|
|
120
|
1200
|
300
|
|||
|
XLHJ80A
|
80:1
|
110
|
1600
|
300
|
22
|
|
140
|
2000
|
400
|
|||
|
XLHJ78
|
78:1
|
200
|
3100
|
600
|
25
|
■使用说明
一、减速器底面与阀门连接,支架面与气缸连接,阀轴与蜗轮内孔配合穿过,阀轴端四方与气缸方孔配合;(工作过程:气动时气缸带去阀轴,蜗轮同转。手动时蜗杆与蜗轮啮合,带动阀轴转动,气缸活塞亦随动)。
二、转动手柄(外转180度)在合上蜗杆时,会出现顶齿现象,需转动手轮一个角度即可合上;
三、减速器的支架盖有三种,用户可根据需要选用,配置不同型号的气缸;
四、气动与手动不能同时驱动。

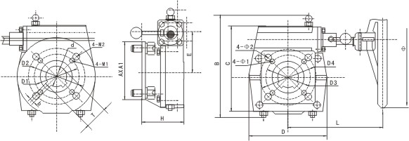
■连接尺寸
|
型号
|
中心孔参数
|
与阀连接尺寸
|
支架面连接尺寸(与执行器连接)
|
离合器外形尺寸
|
||||||||||||||
|
D
|
b
|
T
|
D1
|
4-M1
|
D2
|
4-M2
|
A×A1
|
D3
|
4-φ1
|
D4
|
4-φ2
|
H
|
L
|
B
|
C
|
D
|
E
|
|
|
XLHJ26
|
22.2
|
8
|
25.5
|
70
|
4-M8
|
/
|
/
|
64×64
|
70
|
4-9
|
/
|
/
|
82
|
192
|
166
|
130
|
104
|
50.5
|
|
XLHJ38
|
38
|
10
|
41.3
|
/
|
/
|
102
|
4-M10
|
110×110
|
/
|
/
|
125
|
4-14
|
82
|
225
|
191
|
156
|
125
|
65.5
|
|
XLHJ54
|
48
|
14
|
51.8
|
102
|
4-M10
|
140
|
4-M16
|
130×130
|
/
|
/
|
140
|
4-18
|
95
|
233
|
234
|
199
|
175
|
85.5
|
|
XLHJ80A
|
60
|
18
|
64.4
|
165
|
4-M20
|
/
|
/
|
156×156
|
165
|
4-22
|
/
|
/
|
114
|
277
|
311
|
279
|
234
|
123
|
|
XLHJ78
|
76.2
|
19
|
85.7
|
165
|
4-M20
|
/
|
/
|
156×156
|
165
|
4-22
|
/
|
/
|
120
|
323
|
350
|
322
|
276
|
141.6
|